SA
Last seen:  3 days ago
English
Follow See profile Member since November 2024 Orders  (0)

I will design alu of microprocessor and provide assembly language

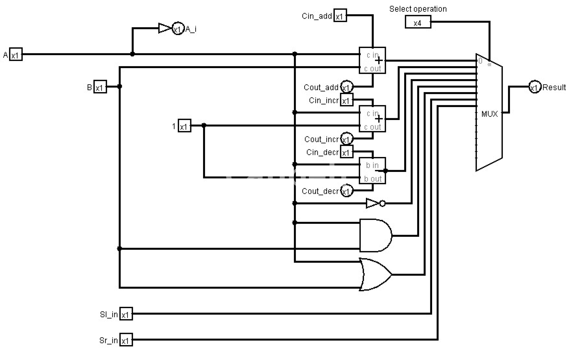
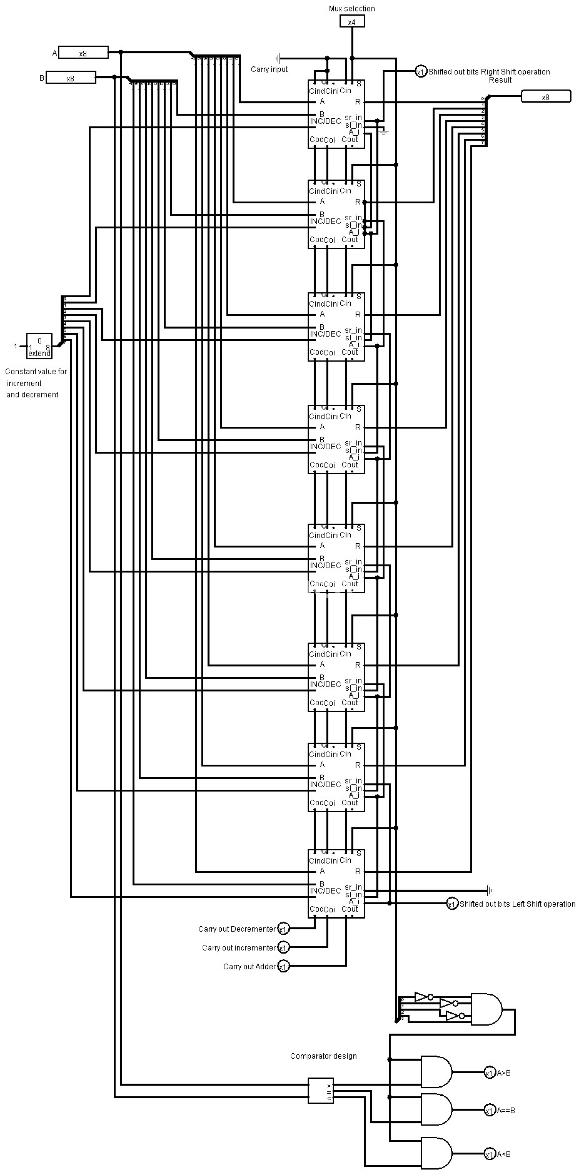
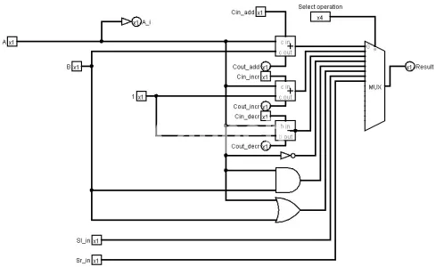
I offer professional microprocessor design services, specializing in the development of microprocessor-based circuits and assembly language programming. Utilizing industry-standard tools such as Logisim, Multisim, PSpice, and Simulink, I create custom processors tailored to your project needs. My expertise includes a variety of Instruction Set Architectures (ISA), including stack-based, accumulator, and general register-based architectures with both two-register and three-register operands. I also provide assembly language programming services to ensure seamless integration with the designed processors. Contact me before placing your order to discuss the details of your project and ensure optimal results.

Reviews (0)
0 0 863
$670
Status Active
This Service is Now Active
Delivery Time It is Negotiable
Delivery Time of This Service
It's 04:55 AM for Stanley Argyle . It might take some time to get a response
SA
Message Stanley Argyle

Away
Your message has been sent.

Stanley Argyle Usually responds within 1 Hour. An Email Will be sent once they reply.

Introduction of alu microprocessor design services and presentation and assembly language

Professional Services in Microprocessor-Based Circuit Design and Assembly Language Programming

I am offering expert design services for microprocessor-based circuits using industry-standard software tools, including Logisim, Multisim, PSpice, and Simulink. In addition, I specialize in developing assembly language programs tailored to your specific needs, ensuring they are fully compatible with the custom-designed processors.

My expertise covers a wide range of Instruction Set Architectures (ISA), such as:

Stack-based Architecture
Accumulator Architecture
General Register-based Architecture with two-register operands
General Register-based Architecture with three-register operands

To ensure a seamless experience, please contact me before placing your order. This allows us to discuss your project requirements and ensure the best possible outcome.

Shop Location Brussels Capital, Belgium

No reviews found!

No comments found for this product. Be the first to comment!